Wellington R. Domingos.
Nesse artigo, trago o projeto de uma fonte de bancada para uso geral, instrumento de laboratório muito importante na bancada do projetista. Esse se trata de um circuito simples e de fácil entendimento, o leitor iniciante não terá problemas na hora de montá-lo.
A fonte de bancada ou fonte de tensão variável, é um circuito que consegue variar a tensão de saída para determinados valores de tensão, fixo ou variável controlado. No projeto que trago aqui teremos um controle variável da tensão de saída que terá uma valor mínimo de 1,25V e um valor máximo de 15V, além de poder fornecer uma corrente máxima de 1A, o que é o suficiente para alimentar os mais variados tipos de circuitos, principalmente os de microcontroladores e circuitos lógicos.
Diagrama em blocos.
Na figura 01, temos o diagrama em blocos do circuito que nada mas é do que uma representação de cada parte do circuito do projeto. Nele temos cada etapa do circuito, desde os que fazem parte da placa de circuito impresso até os que não fazem, como por exemplo a rede elétrica e transformador. Quando o circuito é muito grande separamos ele em blocos, assim podemos trabalhar separadamente em cada etapa do mesmo para um melhor resultado, vejam que temos 8 blocos em nosso circuito, o bloco do transformador é responsável por reduzir a tensão que vem da rede elétrica, ele rebaixa essa tensão para uma tensão menor de acordo com o necessário para o projeto, no nosso caso, 18V. O bloco do retificador é responsável por transformar esse tensão alternada entregue pelo transformador em uma tensão contínua pulsante, e o bloco do filtro filtra essa oscilação da tensão, deixando-a o mais contínua possível, e assim, ela é entregue ao bloco do regulador principal, responsável por regular essa tensão para os níveis necessário na saída. O bloco do regulador secundário, é um regulador a parte para o controle de algum circuito paralelo ao circuito da fonte, no nosso caso ele será utilizado para alimentar o bloco do circuito digital que irá controlar a saída da fonte. O bloco de saída é apenas a saída da fonte, os terminais - e +, ou bornes vermelhos e pretos que ficam no painel da fonte.
Como funciona.Na figura 02, temos o circuito equivalente ao diagrama em blocos,
vejam que cada bloco do circuito está marcado em vermelho para ser
Na figura 07, temos o bloco do filtro, ele é responsável por filtrar a tensão retificada pulsante entregue pelo retificador e transformá-la em uma tensão contínua o mais pura possível, no entanto, com o consumo da carga alimentada pela fonte, surgirão ondulações nessa tensão filtrada, chamada de ripple, nessa ondulação temos o que chamamos de tensão de riplle, que deveser controlada pelo filtro. Na figura 08 temos o exemplo de tensão de ripple, o capacitor se descarrega até certo ponto, e desse ponto até o máximo da tensão de pico, temos o que chamamos de tensão de ripple, até a descarga máxima do capacitor temos a tensão mínima, e entre a tensão mínima e a tensão máxima temos a tensão média, que são as tensões em cima do capacitor, ver figura 09. Na figura 10, temos os cálculos efetuados nessa parte do circuito para identificar a tensão de ripple, também conhecida como tensão de ondulação e as
faixas de tensão em cima do capacitor. Na formula 10, calculamos a tensão de ripple, na formula 11, calculamos a tensão mínima no capacitor, na formula 12 calculamos a tensão média no capacitor e na formula 13 calculamos o fator de ripple. O fator de ripple calculado na formula 13 é um fator que deve ser levado em consideração, a tensão de ripplo pode prejudicar o funcionamento de circuitos sensíveis e circuitos amplificadores, por isso esse fator de ripple deve serrespeitado, existem regras para seguir ao determinar o fator de ripple.
Regra 01: Para cada
ampere que a fonte
fornece, deve-se utilizar um capacitor de 1000uF.
Essa regra não é aconselhada para fontes de amplificadores de áudio.
Regra 02: A tensão de ripple dever ser de no máximo 10% do valor de tensão de pico. Essa regra é para circuitos digitais e circuitos de uso geral, não aconselhada para circuitos sensíveis e circuitos de amplificadores.
Regra 03: Fontes para equipamentos de uso geral devem ter fator de ripple de até 25% e para fontes profissionais deve ser menor que 10%. Essa é a regra mais indicada.
Como o nosso projeto é para alimentar circuitos de uso geral, iremos utilizar a regra 2, pois queremos um circuito fácil e simples, no entanto se o leitor poder seguir a regra 3 terá um equipamento mais eficiente.
Na figura 11. temos
o bloco do regulador secundário, que irá alimentar o circuito
digital que irá controlar a saída da fonte, ligar e desligar, ele é
baseado no estabilizador de tensão feito com diodo zener, o
transistor funciona como driver de corrente para o circuito. Na
figura 12, temos os cálculos efetuados nessa parte do circuito. A
formula 14 calcula a corrente máxima do diodo e a formula 15 a
corrente mínima, a formula 16 calcula um valor máximo para o
resistor do
diodo e a formula 17 um valor mínimo para esse resistor,
a formula 18, calcula um valor médio mais adequado para esse
resistor, a formula 19 calcula a corrente em cima desse resistor e a formula 20 calcula a potencia desse resistor, a potência do resistor
deve ser pelo menos 3x maior que a calculada, e formula 21 vai
calcular a corrente máxima que o regulador zéner irá fornecer,
caso o transformador dê conta.
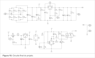
Circuito.
Na figura 15, temos
o circuito final do projeto, notem que na parte do retificador,
usamos oito diodos 1N4007 ligados em paralelos de dois diodos, essa
técnica só é válida para circuitos de baixa corrente, o
aconselhado é usar diodos que suportem maior corrente, o filtro foi
utilizado três capacitores ligados em paralelo dois de 1200uF e um
de 1000uF totalizando uma capacitância final de 3400uF. No regulador
principal, R2 foi usado uma associação em série de dois resistores
de 470R totalizando uma resistência final de 940R, C6 e C7 são
filtros de saída e R4 é um resistor de

| Figura 19: Montagem em placa ilhada. |
| Figura 21: Placa fixa com fita isolante. |
| Figura 22: Posição do transformador. |
| Figura 23: Painel frontal. |
| Figura 24: Painel frontal. |
| Figura 25: Visão geral da montagem. |
| Figura 26: Organização de montagem. |
| Figura 27: Presilha da caixa. |
| Figura 28: Parte frontal da montagem. |
| Figura 29: Parte esquerda da montagem. |
| Figura 30: Parte direita da montagem. |
| Figura 31: Parte de traz da montagem. |
Conclusão.
Nessa postagem, vimos como construir uma fonte de bancada simples para uso geral, espero ter ajudado a quem estava procurando assunto sobre o tema. Iremos trazer mais projetos de fontes aqui no blogue, e em nosso canal do YouTube Canal WD Projetos.
Vídeos.
Vejam os vídeos do projeto da fonte de bancada 01 publicados em nosso canal do YouTube, aproveite também para se inscrever lá, os projetos são publicados primeiramente lá.
Vídeo 01.
Vídeo 02.
Vídeo 03.
Vídeo 04.
Arquivos do projeto.
Baixe os arquivos do
projeto, são necessários os seguintes programas para conferi-los. KiCad, clique aqui.















Nenhum comentário:
Postar um comentário